TU894 6BM8 ELEKIT NEB制御SW付き改良アンプ TU894 6BM8 ELEKIT NEB制御SW付き改良アンプ
(3964件)
Pontaパス特典
サンキュー配送
8584円(税込)
86ポイント(1%)
Pontaパス会員ならさらに+1%ポイント還元!
送料
(
)
3964
配送情報
お届け予定日:2026.05.30 20:32までにお届け
※一部地域・離島につきましては、表示のお届け予定日期間内にお届けできない場合があります。
ロットナンバー
4587440392
お買い物の前にチェック!
Pontaパス会員なら
ポイント+1%
ポイント+1%
商品説明














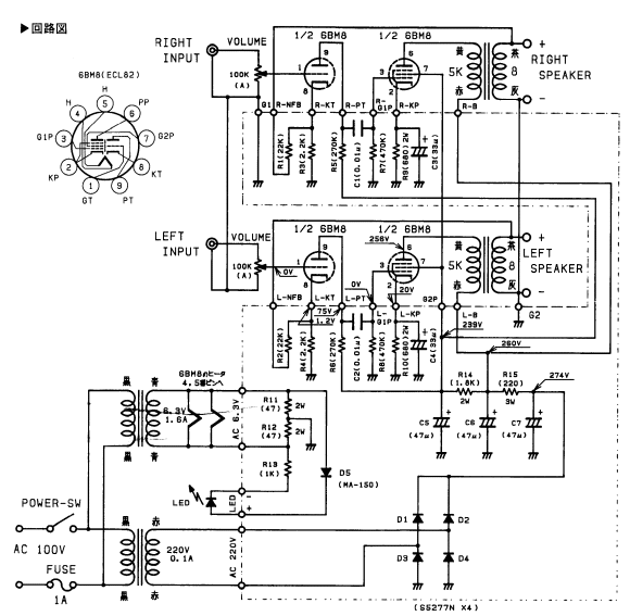
福岡のKAHOMUSEN HOLD.の6BM8真空管アンプを改良した商品です。\r小型ながら結構いい音で聞かせてくれていましたが、低音域が少し物足りなく回路図を取り寄せ改良いたしました。\r\r1、アンプのパワーは電源ですのでダイオード整流後の47uFでは物足りず ケミコン100uFを追加しました。(写真4枚目)\r2、音を左右するカプラーコンデンサーが0.01uFはVitamin Qの良いのがついているのですがいかにも少なすぎドイツの高級品\r ELECTROTEKNIKA 0,1uF/500Vを追加しました。(写真5枚目)\r3,音の変化が楽しめるようにNFBコントロールSWを付けました。(写真 6枚目)\r Regularは元のメーカーの設計どうり22KΩでNFBがかかります\r Lightは44KΩで 少し軽くNFBがかかります。\r CはセンターOFFでNFBは0となり音の生々しさや高域は伸びます。\r またボーカルは前に出てくる感じがします。\r パワーが上がりますがNFBが無いのでVRを上げるとゆがみが多く\r なります。\r1,2、のコンデンサー追加の結果私の駄耳でも低域のパワーが改善され 迫力が増したたと感じられました。\r\rスペック(NFB Regular時)\r\r使用真空管: 東芝 6BM8 Hi-Fi 2本\r定格入力:350mV\r定格出力:0,7W×2 8オーム負荷\r入力インピーダンス:100KΩ\rS/N比:53dB\r周波数特性:100~20,00Hz(-3dB)\r消費電力:約30W\r重量:約3Kg\r\r写真13枚目は元の回路図です。\r写真14枚目は改良後の回路図です。(A,B,Cが改良した部分です)\r\r能率の良いスピーカーで音楽を楽しむには十分なアンプでNFBを切り替えて音の変化を楽しめると思います。\r写真を見て頂きご検討よろしく願います。
| カテゴリー: | テレビ・オーディオ・カメラ>>>真空管アンプ>>>アンプ本体 |
|---|---|
| 商品の状態: | 目立った傷や汚れなし","細かな使用感・傷・汚れはあるが、目立たない |
| 配送料の負担: | 送料込み(出品者負担) |
| 配送の方法: | 佐川急便/日本郵便 |
| 発送元の地域: | 愛知県 |
| 発送までの日数: | 2~3日で発送 |
レビュー
商品の評価:




4.8点(3964件)
- はるなに
- 機能的には満足ですが、接続機器の接続方法、セッティングがなかなか難しい。
- chi-yan9957
- 父に頼まれて購入しました。とても、喜んでおります。
- rose-cherry0705
- 三台目・・・気に入ってくれた知人からの頼まれモノでした。
- 1990いさこ
- "同じくここでFiio E3を購入して使っていますが、こちらはE3よりも3倍くらい大きいです。 一応音質調整は出来るようになっていますが、常にマックスで使うため、あまり意味が無いかも。 で音質ですが、これは明らかにいい音を出します。(この値段にしては) オーディオテクニカのAT-PHA31i \12
- TWINS7
- 暫し聴いて、予想していたものより多機能。今後自室の音世界を広げたい。満足している。
- on the road
- このシリーズのアンプはデザインはそこそこですが とにかくバランスの取れたいいアンプです。 高級感あるとおもいます。
- さくら3232
- iPod touch→Fiio L3→Fiio E6→MDR-EX300SL(安価イヤホン)で使用してみました。 分かっていたことですが聞き流し時には劇的な音質の変化はないですね。 良く聴くと音のバランスが良くなったとも言えますがコスパ的には微妙です。 イヤホンを10proにすると音質の変化が良くわかりますが、それが好みの音質かと言うと微妙です。 購入目的は音質改善ではなく、iPod touchからカーオーディオへライン接続する時の出力アップですので(直押しでは音量がとれない)満足しています。 携帯性としては100円ショップ耐震マットでiPod touchに貼り付けたので邪魔にならないですね。
- チャチャうさ
- BOSEが好きで愛用していたのですが、デジタル向きな加工したおとで、アナログむきではないため、鎌ベイ中心に余り物でシステムを組んでいました。 その鎌ベイアンプが長時間使用でしゃっくり起こすようになったのでこちらに交換しました。 SPはいただきもののヤマハ、プレーヤーはDJ御用達のおなじみのテクニクスの中古です。 よって、鎌ベイアンプとの比較です。 まず、こちらは入力、出力ともに1系統とシンプルです。スイッチもオンーオフとボリュームのみ。 自分はトーンは不要と考えていますので余計なものがなくて大いに好みです。 音色は鎌ベイのトーンMAXよりよりも高音がシャープです。新しい音(つまりいままでここえなかった)音も聞こえます。うちのシステムには相性がよいようです。 さすがに、低音はサブウーファーが必要でしょうが、絶対ラジカセやオールインワンなミニコンポなど目じゃない良い音が楽しめます。
- たかのふじ
- ステレオアンプとして1台で鳴らしたしたときは、まあこんなものか。あえて購入する事もなかったかと思いましたが2台ブリッジで繋いだ途端、スピーカーが2台増えたような鳴り方。音場が広がるだけでなく今まで聞こえなかった音までクッキリ。まさに激変!しかもこの価格。信じられません。当然今までのアンプ(40万円くらい)の電源は以来入ってません。ルックスにしてもどう見ても10倍くらいにしか見えませんね。
- *ぽむ*
- さすがに音質が変わりますね。 良い方向に変わってもらえたので満足。
- マーシュ2272
- 初めて単体のプリメインアンプを購入。ダイヤルの質感も高く、操作することそのものが楽しい。小音量でも非常にクリアな音質で大満足です。
- shino_m0310
- とても小さく出力も小さいですが、音は非常によいです。そのまま音が出てくる感じなので、聞きやすさは音源に左右されます。
- あやーにん
- プラにシルバーの塗装ですが意外と質感がいい。 コンパクトなので場所をとりませんしボリューム操作が 上向きの大型つまみというのがノートPC横に置いて調整するときにやりやすくて◎。 ノイズも乗らないし手軽に楽しむにはいいと思います。 説明書が英語だけなので導入に手間取るかもしれません。
- toshibu-can
- 最初は操作方法が全く分かりませんでした。当たり前でしょうが・・・・ しかし、XLRにて転送できるのがとても魅力的です。 (200Vからダウントランスしている環境です) ケーブルはBelden 88770、1506A、 パワーアンプはCrown D-45を5台使用。 P-0s Vukを使用しての音源ですが、とても音が濃いです。 以前もONKYOを使用していましたが、全然違う音です。 ケーブル類も全交換したので何とも言えませんが、、、 とても使いやすい機器であると思います。 この機器を使用する方は少なそうですが、、、
すべて見る
お店の情報
7,367
連絡・応対
4.3
配送スピード
4.3
梱包
4.3










