k*1様 真空管アンプ/6AQ5シングル・アンプ/6AR5兼用(自作品)/予備球 k*1様 真空管アンプ/6AQ5シングル・アンプ/6AR5兼用(自作品)/予備球
(3964件)
Pontaパス特典
サンキュー配送
15370円(税込)
154ポイント(1%)
Pontaパス会員ならさらに+1%ポイント還元!
送料
(
)
3964
配送情報
お届け予定日:2026.05.30 20:32までにお届け
※一部地域・離島につきましては、表示のお届け予定日期間内にお届けできない場合があります。
ロットナンバー
4587453361
お買い物の前にチェック!
Pontaパス会員なら
ポイント+1%
ポイント+1%
商品説明










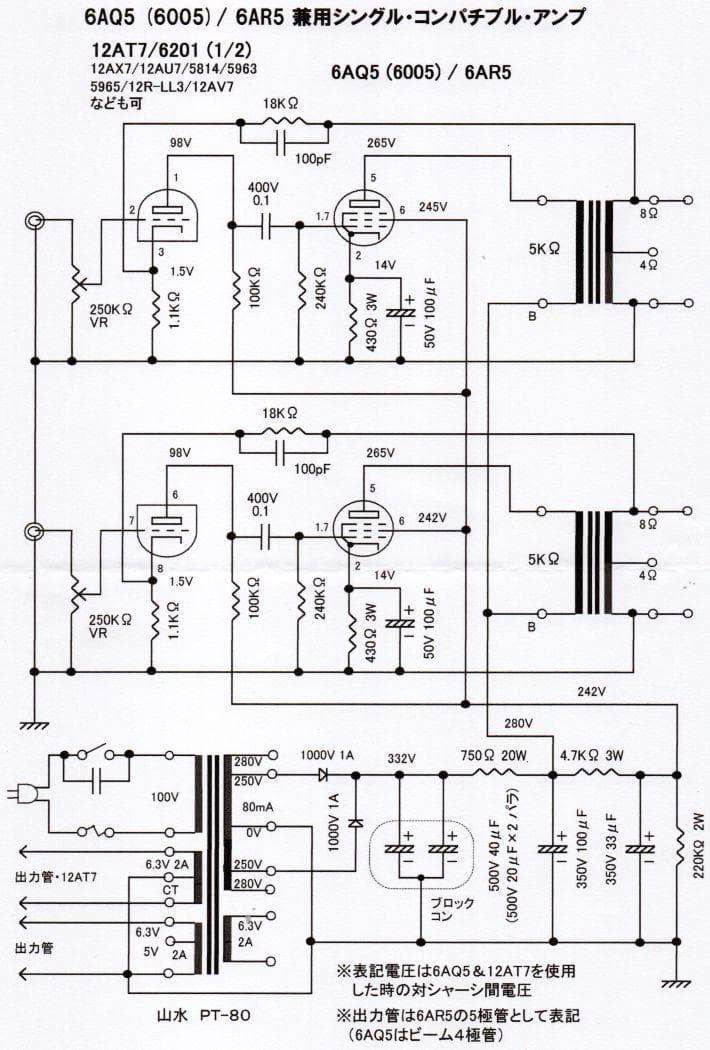
■6V6と同じ電気特性のMT管6AQ5(6005)を使った、完成したばかりの自作のシングル・アンプです。出品のため製作しました。\r■今回は、出品前に6AQ5と6AR5の兼用のコンパチブル・アンプに変更しました。回路定数は、ほぼ6AR5に合わせていますが、6AR5の場合は出力トランスの1次側が7KΩが良いのですが、5KΩでも良しとします。\r■6AQ5としては、自己バイアス抵抗は、もう少し低いほうが良いのですが、電源トランスのB電源容量が80mAのため、プレート電流を抑えて動作を軽くするために430Ωとしました。(この値で6AR5もそのまま挿し替えて兼用できます)この時の6AQ5の動作ですが、この回路だと第2グリッド電流が約2mA流れますので、プレート電流は約30mAとなり、6AQ5としては軽い動作ですが、最大出力はちょうど3Wです。6AR5も同じくらいの出力になります。6AQ5使用で最大出力時の入力感度は約0.8Vでした。プレート電流をもう少し多くすれば4W以上の出力が出るのですが、6AR5兼用なので3Wで十分です。\r■初段管は12AT7(6201)を基準管としましたが、この回路定数のままで、各部の電圧配分と入力感度は変わりますが、12AX7や、12AU7、5814、5963、5965、12R-LL3、12AV7などもそのまま差し替え出来るよう、プレート抵抗を100KΩ、カソード抵抗を1.1KΩとしました。\r■適応スピーカーは6~8Ωです。\r■ハムはスピーカーに耳を押しあてても全くの無音です。\r■出来るだけ能率の高いスピーカーを使用してください(90dB以上)\r■6AR5でも聞きたいときは6AR5は別にお求めください。\r■高級な部品は使用していませんが、音の傾向は6V6に似ていますがシャープさが加わった聴きやすい真空管らしい音です。\r■予備球として6AQ5と、12AT7を各1本付けておきます。\r■木枠は手作業によるもので塗装に少しムラがあります。\r■裏蓋はありません。\r■自作者の責任として回路図を添付します。\r■このアンプの詳細はブログでも紹介しています。\rhttps://ameblo.jp/hirochan-amp/entry-12952299992.html
| カテゴリー: | テレビ・オーディオ・カメラ>>>真空管アンプ>>>アンプ本体 |
|---|---|
| 商品の状態: | 未使用に近い","数回使用し、あまり使用感がない |
| 配送料の負担: | 送料込み(出品者負担) |
| 配送の方法: | 佐川急便/日本郵便 |
| 発送元の地域: | 茨城県 |
| 発送までの日数: | 2~3日で発送 |
レビュー
商品の評価:




4.4点(3964件)
- はるなに
- ケンウッドの古いミニコンポのスピーカー(SG-5)を活用するために購入しました。パワーは十分で、フルパワーにすると近所迷惑になるほど大きい音が出ます。 Directモードは入力に忠実で、スッキリした音が出ます。TONEモード(イコライザ)は高音と低音のそれぞれにかなりメリハリを付けられます。おすすめはダイレクトモードです。 1年ほど使用していますが、まだ壊れずに動いています。 ただ、ステレオミニプラグで入力した際に、左右の出力が逆になっているようです。この点は注意が必要だと思います。 この欠点を差し引いても音のクリアさと価格の安さを考慮すると5つ星の評価ができると思います。 いい買い物でした。 【2019年6月3日 追記】 まだ問題なく動作しています。
- chi-yan9957
- これまでで最高額のオーディオ機器です。ノイズが感じられず滑らかなですが、全ての音を聞き分けられるような分解能です。SonicaDACも分解能はすごいと思いましたがこれは別格です。しかし、POPなど声や楽器でない音が入っている曲だとそれが気になってしまいます。オーケストラもパート毎に聞き取れるのが良いのか悪いのか、納品から1か月経ちますが、ゆったり落ち着いて聴くことができず混乱している状態です。この曲をあの機器で聞くとこんな風、でなく、この機器でこのCDを鳴らす、となってしまいそう。今のところ支障なく聞けるトリオ位の小編成かホール録音の曲でしょうか。 それから、据え置きで使っているのであまり影響ありませんが、振ると音声データ入力用USBのあたりでかちゃかちゃ鳴るのは不満です。
- rose-cherry0705
- "CDドライブが無いカーオディオ用にCDをMP3でUSBメモリに録りためて車内で聞いていますが、自宅でも聞くために安価でUSBが聞けるアンプを探していてこの商品を見つけました。2
- 1990いさこ
- 20年近く使用したSONYの10万円アンプが雑音入る寿命切れ。 迷ったが、安いもので辛抱しようと多数のコメントを参考に、当機を購入。正解でした。時代の経過とその進歩はすごいもので、レコード(プレヤーMM型)も含め、音質はクリアそのもの(多分ヤマハサウンドと言われている)で、昔の思い出が蘇りました。価格は随分安いけど調節と接続機能が少ない位でこんな優れものに出会えるとは感激!音質調節ツマミで結構パワーアップも出来ました。
- TWINS7
- JBL4344のマルチ化を検討していたところ ベルウッドランシング高級オーディオセットを発見 購入しました。 商品性能、対応も期待以上で大満足です。
- on the road
- PC用に購入しました。今までは、PCにローランドMA10(アンプ内蔵モニタースピーカー)を接続して音楽を聴いていましたが、MA10のウーハーの口径が小さいせいか、低音が割れ聴きづらいと感じていました。 たまたま家にあったAIWAのスピーカー(内蔵アンプ無し)をPCに接続しようと思い、LEPYのアンプを購入しました。 さっそく接続して音楽を聴きましたが、なかなか良い音です! 口径が大きくなったものの、所詮オーディオに付いていたAIWAのスピーカーですので、あまり期待はしていなかったものの、このアンプのお陰もあり、思った以上に良い音を出してくれてます。 買って良かったです! 尚、他のレビューにも書かれておりましたが、R、Lが逆でした。 しかし、大した問題ではありませんので、値段のことを考えると良しとします。
- さくら3232
- 音はそこそこ良いですが、操作感は今一歩。 マイクロSDの挿入口が狭く、奥まで入るので取り出すのに苦労します。 全体的にコスパは良いと思います。
- チャチャうさ
- 同じシリーズのSACDプレーヤーPD−10を持っていたので、このアンプを選びました。上位機種もありますが、十分実力のあるアンプだと思います。ひとつのリモコンでアンプとプレーヤーを操作できるのもとてもいいです。
- たかのふじ
- 自然な感じでの音の広がりや臨場感を味わえました。 テレビスピーカーと5.1cH切り替えなどHDMI連動が便利です。
- *ぽむ*
- N3を使用するにあたってマイクロSD・充電器が必要です。イヤフォンはサトレックスDH298-A1を使用しています。デザイン的な特徴はあまり感じませんシリコンカバーがついていて接触感は良好です。 操作性についてはすぐなれます。画面の文字は老眼鏡をかければ見えます。昔アイパッドミニを使用していたのでPCから音楽ファイルが転送できると思っていましたが、PCからマイクロSDにデータを書き込みN3に実装してからデータの更新をする必要があり少し面倒です。音質については後期?高齢者なもんで音楽は楽しめます。CDから1000曲ほどダウンロードしています(9G程度)音楽再生中曲間で異音がします。再生中にも異音が聞こえることがありますイメージですがぷっという音。USBメモリーカード外付けで音楽再生ができるみたいですがビジュアル的にはNGです。メーカー仕様では連続再生時間約12時間とありますが使用した感覚ではアルバム6、7枚再生で残表示10%ぐらいになります。bluetoothイヤホン使用を躊躇します。大手メーカーでは30時間以上となっているので少し残念です。
- マーシュ2272
- USBDACがついてお得。同軸とアナログ両方接続してCDの聞き比べができる。個人的にはアナログの方が良い感じです。スピーカー端子が一つしかないのは残念です。しかし価格は満足です。リモコンの反応も良いです。
- shino_m0310
- CDドライブ、スピーカー付きのコンポが買える価格ですから、高いと言えば高い。 価格故にこれまで購入を躊躇していましたが、この度思い切って購入。 結果、高い価格に見合った性能を有しており大満足です。 主にNASに保存したハイレゾ音源を無線で飛ばして聴いています。良い感じでいい音を鳴らしてくれてます。 コンパクトで置き場所に困らないのもポイントが高いです。 スマホにコントロールアプリ「MusicCast CONTROLLER」をインストールしての利用が基本となります。付属のリモコンは最低限のことしかできず、選曲等の利便性を考えればスマホアプリ必須です。 ネットワーク再生やストリーミング再生に対応するなど、このサイズで見てみるとライバル不在な気がします。新しいオーディオの形を提案されたなと感じました。
- あやーにん
- 私はアンプの事をよく知りません。 今回、仕事で必要になり手配しました。 値段も種類もたくさん有、大変迷いましたが 結果この商品で全然okでした。 見た目も悪くないし、今後プライベートでブルートゥースを利用したスピーカーが欲しくなった時は、またこの商品で対応したいと思いました。
- toshibu-can
- ティアック株式会社 〒206-8530 東京都多摩市落合1-47 電話042-356-9235 永井様 愛曲楽器様 名古屋市昭和区桜山町2-34-5 USB-amp 品名USB-301の運用記録(パソコンの音楽をオーディオで再現させる) 「どないしても上手いこといかんのでティアック修理センターに送って見てもらいました」 当方の不手際でご迷おかけしました、パソコンの設定が原因でした。デバイスUSB-301は問題なく作動しているとのサイン出ているが(0s
すべて見る
お店の情報
7,367
連絡・応対
4.3
配送スピード
4.3
梱包
4.3










